李工:138-8949-5179 刘工:135-0428-8802
型号查询
轴承型号   常见搜索: 71913轴承 *轴承 1轴承 6305轴承 617轴承 6014轴承
型号查询 X

轴承专区

Bearings Center

1307 EKTN9 + H 307轴承-SKF 1307 EKTN9 + H 307轴承尺寸、图纸、价格

SKF 1307 EKTN9 + H 307轴承

产品名称:1307 EKTN9 + H 307轴承 品牌:SKF
类型:SKF轴承 > 滚动轴承 > 自调心球轴承
描述:1307 EKTN9 + H 307轴承是【SKF轴承 > 滚动轴承 > 自调心球轴承】的型号,主要用在内燃机、油泵、桥式起重机、机床主轴、轧钢机辊道子、起重机吊钩、挤压机、薄膜拉伸、强夯机、抓钢机等各大领域

 电话/微信:138-8949-5179

SKF 1307 EKTN9 + H 307轴承详细信息

1307 EKTN9 + H 307轴承是【SKF轴承 > 滚动轴承 > 自调心球轴承】的型号,主要用在内燃机、油泵、桥式起重机、机床主轴、轧钢机辊道子、起重机吊钩、挤压机、薄膜拉伸、强夯机、抓钢机等各大领域。

SKF 1307 EKTN9 + H 307轴承详细参数

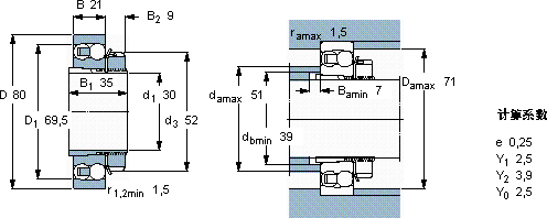
自调心球轴承, 带紧定套, 无密封件
主要数据尺寸基本负荷额定值疲劳负荷限值额定速度体积型号
动态静态参照速度限制速度轴承 + 紧定套
d1DBCC0Pu
mmkNkNr/minkg-
30802126,58,50,4316000110000,651307 EKTN9 + H 307

SKF 1307 EKTN9 + H 307轴承尺寸图纸

李工:138-8949-5179

刘工:135-0428-8802

地址:辽宁省大连经济技术开发区现代城3栋-13-13号

在线客服系统