李工:138-8949-5179 刘工:135-0428-8802
型号查询
轴承型号   常见搜索: 6017轴承 22222轴承 6013轴承 6022轴承 6015轴承 6001轴承
型号查询 X

轴承专区

Bearings Center

SILKAC 6 M轴承-SKF SILKAC 6 M轴承尺寸、图纸、价格

SKF SILKAC 6 M轴承

产品名称:SILKAC 6 M轴承 品牌:SKF
类型:SKF轴承 > 球面滑动轴承和杆端关节轴承 > 需维护的杆端关节轴承
描述:SILKAC 6 M轴承是【SKF轴承 > 球面滑动轴承和杆端关节轴承 > 需维护的杆端关节轴承】的型号,主要用在通用电动机、离心分离机、纺织机械传动轴、变速器、各类产业用减速机、制铁制钢机械、轧钢机轧制螺杆用减速机、陶瓷机械、起重机械、太阳能发电设备等各大领域

 电话/微信:138-8949-5179

SKF SILKAC 6 M轴承详细信息

SILKAC 6 M轴承是【SKF轴承 > 球面滑动轴承和杆端关节轴承 > 需维护的杆端关节轴承】的型号,主要用在通用电动机、离心分离机、纺织机械传动轴、变速器、各类产业用减速机、制铁制钢机械、轧钢机轧制螺杆用减速机、陶瓷机械、起重机械、太阳能发电设备等各大领域。

SKF SILKAC 6 M轴承详细参数

需要维护的杆端, 钢对青铜,阴螺纹
主要数据尺寸角度倾的基本负荷额定值质量型号
动态静态轴承座完全与
dd2Bd3C1h1±CC0
6H
mm度数kNkg-
6219M 67,530134,35,40,028SILKAC 6 M

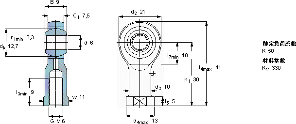
SKF SILKAC 6 M轴承尺寸图纸

李工:138-8949-5179

刘工:135-0428-8802

地址:辽宁省大连经济技术开发区现代城3栋-13-13号

在线客服系统