李工:138-8949-5179 刘工:135-0428-8802
型号查询
轴承型号   常见搜索: 6017轴承 6018轴承 6005轴承 617轴承 6019轴承 6003轴承
型号查询 X

轴承专区

Bearings Center

SILKAC 14 M轴承-SKF SILKAC 14 M轴承尺寸、图纸、价格

SKF SILKAC 14 M轴承

产品名称:SILKAC 14 M轴承 品牌:SKF
类型:SKF轴承 > 球面滑动轴承和杆端关节轴承 > 需维护的杆端关节轴承
描述:SILKAC 14 M轴承是【SKF轴承 > 球面滑动轴承和杆端关节轴承 > 需维护的杆端关节轴承】的型号,主要用在燃汽轮机、高频马达、桥式起重机、前轮、各类产业用减速机、机床等的变速装置、电机厂、洗染、压路机、码垛机器人等各大领域

 电话/微信:138-8949-5179

SKF SILKAC 14 M轴承详细信息

SILKAC 14 M轴承是【SKF轴承 > 球面滑动轴承和杆端关节轴承 > 需维护的杆端关节轴承】的型号,主要用在燃汽轮机、高频马达、桥式起重机、前轮、各类产业用减速机、机床等的变速装置、电机厂、洗染、压路机、码垛机器人等各大领域。

SKF SILKAC 14 M轴承详细参数

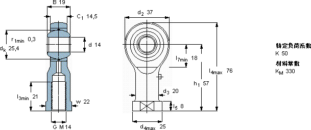
需要维护的杆端, 钢对青铜,阴螺纹
主要数据尺寸角度倾的基本负荷额定值质量型号
动态静态轴承座完全与
dd2Bd3C1h1±CC0
6H
mm度数kNkg-
143719M 1414,557151720,40,18SILKAC 14 M

SKF SILKAC 14 M轴承尺寸图纸

李工:138-8949-5179

刘工:135-0428-8802

地址:辽宁省大连经济技术开发区现代城3栋-13-13号

在线客服系统