李工:138-8949-5179 刘工:135-0428-8802
型号查询
轴承型号   常见搜索: 6205轴承 2025轴承 6013轴承 6021轴承 6026轴承 *轴承
型号查询 X

轴承专区

Bearings Center

81113 TN轴承-SKF 81113 TN轴承尺寸、图纸、价格

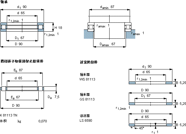
SKF 81113 TN轴承

产品名称:81113 TN轴承 品牌:SKF
类型:SKF轴承 > 滚动轴承 > 圆柱滚子推力轴承
描述:81113 TN轴承是【SKF轴承 > 滚动轴承 > 圆柱滚子推力轴承】的型号,主要用在仪表、印刷机械、压缩机、轧钢机辊颈、印刷机械、制铁制钢机械、碾煤机、化纤机械、堆取料机、钢包回转台等各大领域

 电话/微信:138-8949-5179

SKF 81113 TN轴承详细信息

81113 TN轴承是【SKF轴承 > 滚动轴承 > 圆柱滚子推力轴承】的型号,主要用在仪表、印刷机械、压缩机、轧钢机辊颈、印刷机械、制铁制钢机械、碾煤机、化纤机械、堆取料机、钢包回转台等各大领域。

SKF 81113 TN轴承详细参数

圆柱滚子推力轴承, 轴承 / 圆柱滚子和保持架止推组件
主要数据尺寸基本负荷额定值疲劳负荷限值最小负荷系数额定速度体积型号
动态静态参照速度限制速度轴承圆柱滚子和保持架止推组件
dDHCC0PuA
mmkNkN-r/minkg-
6590188332032,50,0082170034000,3181113 TNK 81113 TN

SKF 81113 TN轴承尺寸图纸

李工:138-8949-5179

刘工:135-0428-8802

地址:辽宁省大连经济技术开发区现代城3栋-13-13号

在线客服系统