轴承专区
Bearings Center
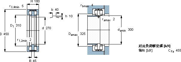
351164 C轴承-SKF 351164 C轴承尺寸、图纸、价格
SKF 351164 C轴承
| 产品名称: | 351164 C轴承 | 品牌: | SKF |
|---|---|---|---|
| 类型: | SKF轴承 > 滚动轴承 > 圆锥滚子推力轴承 | ||
| 描述: | 351164 C轴承是【SKF轴承 > 滚动轴承 > 圆锥滚子推力轴承】的型号,主要用在飞机喷气式发动机、燃汽轮机、减速装置、后轮、造纸机械、石油钻机、燃机、玩具、给料机械、钢包回转台等各大领域 | ||
电话/微信:138-8949-5179
SKF 351164 C轴承详细信息
351164 C轴承是【SKF轴承 > 滚动轴承 > 圆锥滚子推力轴承】的型号,主要用在飞机喷气式发动机、燃汽轮机、减速装置、后轮、造纸机械、石油钻机、燃机、玩具、给料机械、钢包回转台等各大领域。
SKF 351164 C轴承详细参数
| 圆锥滚子推力轴承, 双向 | ||||||||
| 主要数据尺寸 | 基本负荷额定值 | 疲劳负荷限值 | 最小负荷系数 | 型号 | ||||
| 动态 | 静态 | |||||||
| d | D | H | C | C0 | Pu | |||
| mm | kN | kN | kg | - | ||||
| 270 | 450 | 180 | 1650 | 6000 | 455 | 120 | 351164 C | |
SKF 351164 C轴承尺寸图纸

