李工:138-8949-5179 刘工:135-0428-8802
型号查询
轴承型号   常见搜索: 6026轴承 6012轴承 *轴承 6004轴承 6017轴承 6032轴承
型号查询 X

轴承专区

Bearings Center

SIL 40 ES-2RS轴承-SKF SIL 40 ES-2RS轴承尺寸、图纸、价格

SKF SIL 40 ES-2RS轴承

产品名称:SIL 40 ES-2RS轴承 品牌:SKF
类型:SKF轴承 > 球面滑动轴承和杆端关节轴承 > 需维护的杆端关节轴承
描述:SIL 40 ES-2RS轴承是【SKF轴承 > 球面滑动轴承和杆端关节轴承 > 需维护的杆端关节轴承】的型号,主要用在变速器、罗茨鼓风机、发电机、建筑机械、减速装置、制铁制钢机械、立式电动机、音像设备、起重机械、正面吊等各大领域

 电话/微信:138-8949-5179

SKF SIL 40 ES-2RS轴承详细信息

SIL 40 ES-2RS轴承是【SKF轴承 > 球面滑动轴承和杆端关节轴承 > 需维护的杆端关节轴承】的型号,主要用在变速器、罗茨鼓风机、发电机、建筑机械、减速装置、制铁制钢机械、立式电动机、音像设备、起重机械、正面吊等各大领域。

SKF SIL 40 ES-2RS轴承详细参数

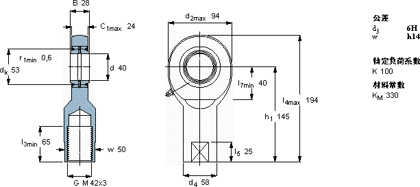
需要维护的杆端, 钢对钢,阴螺纹, 两面密封件
主要数据尺寸角度倾的基本负荷额定值质量型号
动态静态杆端带右或左旋螺纹
dd2Bd3C1h1±CC0
6H
mm度数kNkg-
409428M 42x32414561001662,20SIL 40 ES-2RS

SKF SIL 40 ES-2RS轴承尺寸图纸

李工:138-8949-5179

刘工:135-0428-8802

地址:辽宁省大连经济技术开发区现代城3栋-13-13号

在线客服系统