李工:138-8949-5179 刘工:135-0428-8802
型号查询
轴承型号   常见搜索: 6018轴承 617轴承 6030轴承 71913轴承 6906轴承 6002轴承
型号查询 X

轴承专区

Bearings Center

71968 ACMB轴承-SKF 71968 ACMB轴承尺寸、图纸、价格

SKF 71968 ACMB轴承

产品名称:71968 ACMB轴承 品牌:SKF
类型:SKF轴承 > 滚动轴承 > 角接触球轴承
描述:71968 ACMB轴承是【SKF轴承 > 滚动轴承 > 角接触球轴承】的型号,主要用在内燃机、油泵、发电机、机床主轴、铁路车辆车轴、石油钻机、挤压机、洗染、给料机械、抓钢机等各大领域

 电话/微信:138-8949-5179

SKF 71968 ACMB轴承详细信息

71968 ACMB轴承是【SKF轴承 > 滚动轴承 > 角接触球轴承】的型号,主要用在内燃机、油泵、发电机、机床主轴、铁路车辆车轴、石油钻机、挤压机、洗染、给料机械、抓钢机等各大领域。

SKF 71968 ACMB轴承详细参数

角接触球轴承, 单列
主要数据尺寸尺寸 [英寸]疲劳负荷限值额定速度体积型号
动态静态参照速度限制速度
dDBCC0Pu
mmkNkNr/minkg-
3404605633858512,51500150024,071968 ACMB

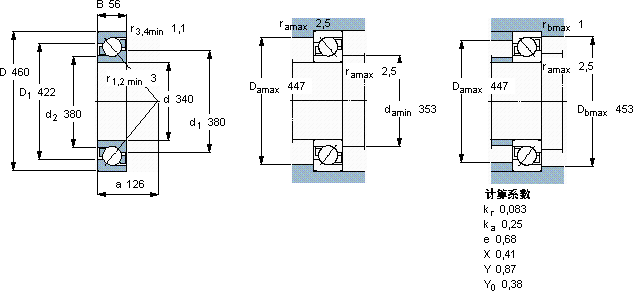
SKF 71968 ACMB轴承尺寸图纸

李工:138-8949-5179

刘工:135-0428-8802

地址:辽宁省大连经济技术开发区现代城3栋-13-13号

在线客服系统