李工:138-8949-5179 刘工:135-0428-8802
型号查询
轴承型号   常见搜索: 6309轴承 6214轴承 6002轴承 6007轴承 6011轴承 7014轴承
型号查询 X

轴承专区

Bearings Center

313-Z轴承-SKF 313-Z轴承尺寸、图纸、价格

SKF 313-Z轴承

产品名称:313-Z轴承 品牌:SKF
类型:SKF轴承 > 滚动轴承 > 深沟球轴承
描述:313-Z轴承是【SKF轴承 > 滚动轴承 > 深沟球轴承】的型号,主要用在家用电器、小型汽车前轮、挖土机履带轮、差速器、振动筛、汽车转向销、塔吊、电子、掘进机、冶金起重机等各大领域

 电话/微信:138-8949-5179

SKF 313-Z轴承详细信息

313-Z轴承是【SKF轴承 > 滚动轴承 > 深沟球轴承】的型号,主要用在家用电器、小型汽车前轮、挖土机履带轮、差速器、振动筛、汽车转向销、塔吊、电子、掘进机、冶金起重机等各大领域。

SKF 313-Z轴承详细参数

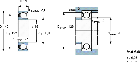
深沟球轴承, 单列,带装球缺口, 单面防尘罩
主要数据尺寸基本负荷额定值疲劳负荷限值额定速度体积型号
动态静态参照速度限制速度
dDBCC0Pu
mmkNkNr/minkg-
6514033102903,75900056002,30313-Z

SKF 313-Z轴承尺寸图纸

李工:138-8949-5179

刘工:135-0428-8802

地址:辽宁省大连经济技术开发区现代城3栋-13-13号

在线客服系统