李工:138-8949-5179 刘工:135-0428-8802
型号查询
轴承型号   常见搜索: 6001轴承 6004轴承 6003轴承 6906轴承 32313轴承 6016轴承
型号查询 X

轴承专区

Bearings Center

SIL 10 C轴承-SKF SIL 10 C轴承尺寸、图纸、价格

SKF SIL 10 C轴承

产品名称:SIL 10 C轴承 品牌:SKF
类型:SKF轴承 > 球面滑动轴承和杆端关节轴承 > 免维护的杆端关节轴承
描述:SIL 10 C轴承是【SKF轴承 > 球面滑动轴承和杆端关节轴承 > 免维护的杆端关节轴承】的型号,主要用在各种产业机械、罗茨鼓风机、木工机械、建筑机械、轧钢机齿轮箱座、制铁制钢机械、发电厂、啤酒、起重机械、冶金起重机等各大领域

 电话/微信:138-8949-5179

SKF SIL 10 C轴承详细信息

SIL 10 C轴承是【SKF轴承 > 球面滑动轴承和杆端关节轴承 > 免维护的杆端关节轴承】的型号,主要用在各种产业机械、罗茨鼓风机、木工机械、建筑机械、轧钢机齿轮箱座、制铁制钢机械、发电厂、啤酒、起重机械、冶金起重机等各大领域。

SKF SIL 10 C轴承详细参数

免维护杆端, 阴螺纹, 钢/烧结铜复合材料
主要数据尺寸角度倾的基本负荷额定值质量型号
动态静态轴承座完全与密封件
dd2Bd3C1h1±CC0
6H
mm度数kNkg-
10309M 107,543128,65190,069SIL 10 C

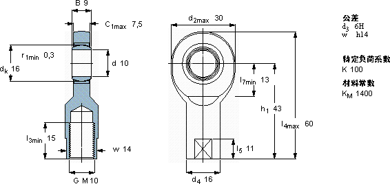
SKF SIL 10 C轴承尺寸图纸

李工:138-8949-5179

刘工:135-0428-8802

地址:辽宁省大连经济技术开发区现代城3栋-13-13号

在线客服系统