轴承专区
Bearings Center
SIA 80 TXE-2LS轴承-SKF SIA 80 TXE-2LS轴承尺寸、图纸、价格
SKF SIA 80 TXE-2LS轴承
| 产品名称: | SIA 80 TXE-2LS轴承 | 品牌: | SKF |
|---|---|---|---|
| 类型: | SKF轴承 > 球面滑动轴承和杆端关节轴承 > 免维护的杆端关节轴承 | ||
| 描述: | SIA 80 TXE-2LS轴承是【SKF轴承 > 球面滑动轴承和杆端关节轴承 > 免维护的杆端关节轴承】的型号,主要用在仪表、各类变速器、桥式起重机、铁路车辆、轧钢机齿轮箱座、机床等的变速装置、碾煤机、烟草机械、工程船舶、坦克等各大领域 | ||
电话/微信:138-8949-5179
SKF SIA 80 TXE-2LS轴承详细信息
SIA 80 TXE-2LS轴承是【SKF轴承 > 球面滑动轴承和杆端关节轴承 > 免维护的杆端关节轴承】的型号,主要用在仪表、各类变速器、桥式起重机、铁路车辆、轧钢机齿轮箱座、机床等的变速装置、碾煤机、烟草机械、工程船舶、坦克等各大领域。
SKF SIA 80 TXE-2LS轴承详细参数
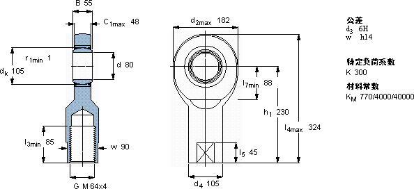
| 免维护杆端, 阴螺纹, 钢/PTFE织物 , 两面密封件 | |||||||||||
| 主要数据尺寸 | 角度倾的 | 基本负荷额定值 | 质量 | 型号 | |||||||
| 动态 | 静态 | 轴承座完全与密封件 | |||||||||
| d | d2 | B | d3 | C1 | h1 | ± | C | C0 | |||
| 6H | |||||||||||
| mm | 度数 | kN | kg | - | |||||||
| 80 | 182 | 55 | M 64x4 | 48 | 230 | 5 | 1140 | 655 | 15,0 | SIA 80 TXE-2LS | |
SKF SIA 80 TXE-2LS轴承尺寸图纸

