李工:138-8949-5179 刘工:135-0428-8802
型号查询
轴承型号   常见搜索: 6011轴承 6906轴承 22222轴承 6214轴承 6012轴承 6021轴承
型号查询 X

轴承专区

Bearings Center

SALKAC 6 M轴承-SKF SALKAC 6 M轴承尺寸、图纸、价格

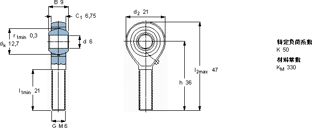
SKF SALKAC 6 M轴承

产品名称:SALKAC 6 M轴承 品牌:SKF
类型:SKF轴承 > 球面滑动轴承和杆端关节轴承 > 需维护的杆端关节轴承
描述:SALKAC 6 M轴承是【SKF轴承 > 球面滑动轴承和杆端关节轴承 > 需维护的杆端关节轴承】的型号,主要用在通用电动机、罗茨鼓风机、发电机、建筑机械、印刷机械、石油钻机转环、轧钢机轧制螺杆用减速机、制鞋、凿岩机械、机场加油机等各大领域

 电话/微信:138-8949-5179

SKF SALKAC 6 M轴承详细信息

SALKAC 6 M轴承是【SKF轴承 > 球面滑动轴承和杆端关节轴承 > 需维护的杆端关节轴承】的型号,主要用在通用电动机、罗茨鼓风机、发电机、建筑机械、印刷机械、石油钻机转环、轧钢机轧制螺杆用减速机、制鞋、凿岩机械、机场加油机等各大领域。

SKF SALKAC 6 M轴承详细参数

需要维护的杆端, 钢对青铜,阳螺纹
主要数据尺寸角度倾的基本负荷额定值质量型号
动态静态轴承座完全与
dd2Bd3C1h±CC0
6g
mm度数kNkg-
6219M 66,7536134,34,80,021SALKAC 6 M

SKF SALKAC 6 M轴承尺寸图纸

李工:138-8949-5179

刘工:135-0428-8802

地址:辽宁省大连经济技术开发区现代城3栋-13-13号

在线客服系统