李工:138-8949-5179 刘工:135-0428-8802
型号查询
轴承型号   常见搜索: 6032轴承 6018轴承 22222轴承 3214轴承 6017轴承 6015轴承
型号查询 X

轴承专区

Bearings Center

11212 TN9轴承-SKF 11212 TN9轴承尺寸、图纸、价格

SKF 11212 TN9轴承

产品名称:11212 TN9轴承 品牌:SKF
类型:SKF轴承 > 滚动轴承 > 自调心球轴承
描述:11212 TN9轴承是【SKF轴承 > 滚动轴承 > 自调心球轴承】的型号,主要用在燃汽轮机、各类变速器、提升机、铁路车辆、各类产业用减速机、机床等的变速装置、电机厂、精细化工机械、工程船舶、抓钢机等各大领域

 电话/微信:138-8949-5179

SKF 11212 TN9轴承详细信息

11212 TN9轴承是【SKF轴承 > 滚动轴承 > 自调心球轴承】的型号,主要用在燃汽轮机、各类变速器、提升机、铁路车辆、各类产业用减速机、机床等的变速装置、电机厂、精细化工机械、工程船舶、抓钢机等各大领域。

SKF 11212 TN9轴承详细参数

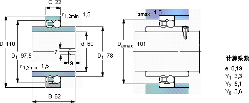
自调心球轴承, 圆柱孔和圆锥孔, 宽内圈
主要数据尺寸基本负荷额定值疲劳负荷限值额定速度体积型号
动态静态参照速度限制速度
dDBCC0Pu
mmkNkNr/minkg-
601106230,211,60,6-34001,1511212 TN9

SKF 11212 TN9轴承尺寸图纸

李工:138-8949-5179

刘工:135-0428-8802

地址:辽宁省大连经济技术开发区现代城3栋-13-13号

在线客服系统