李工:138-8949-5179 刘工:135-0428-8802
型号查询
轴承型号   常见搜索: 6001轴承 6009轴承 32313轴承 6309轴承 6021轴承 6019轴承
型号查询 X

轴承专区

Bearings Center

N 312 ECJ *轴承-SKF N 312 ECJ *轴承尺寸、图纸、价格

SKF N 312 ECJ *轴承

产品名称:N 312 ECJ *轴承 品牌:SKF
类型:SKF轴承 > 滚动轴承 > 圆柱滚子轴承
描述:N 312 ECJ *轴承是【SKF轴承 > 滚动轴承 > 圆柱滚子轴承】的型号,主要用在仪表、高频马达、减速装置、前轮、各类产业用减速机、机床主轴、碾煤机、化纤机械、挖掘机、厨具设备等各大领域

 电话/微信:138-8949-5179

SKF N 312 ECJ *轴承详细信息

N 312 ECJ *轴承是【SKF轴承 > 滚动轴承 > 圆柱滚子轴承】的型号,主要用在仪表、高频马达、减速装置、前轮、各类产业用减速机、机床主轴、碾煤机、化纤机械、挖掘机、厨具设备等各大领域。

SKF N 312 ECJ *轴承详细参数

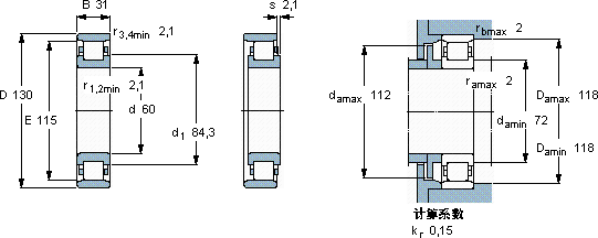
圆柱滚子轴承, 单列, N 设计
主要数据尺寸基本负荷额定值疲劳负荷限值额定速度体积型号适宜的斜挡圈
动态静态参照速度限制速度型号
dDBCC0Pu * - SKF Explorer 轴承
mmkNkNr/minkg--
601303117316020,8560067001,80N 312 ECJ *-

SKF N 312 ECJ *轴承尺寸图纸

李工:138-8949-5179

刘工:135-0428-8802

地址:辽宁省大连经济技术开发区现代城3栋-13-13号

在线客服系统