李工:138-8949-5179 刘工:135-0428-8802
型号查询
轴承型号   常见搜索: 6030轴承 6012轴承 6032轴承 6007轴承 71913轴承 6015轴承
型号查询 X

轴承专区

Bearings Center

SALA 80 ES-2RS轴承-SKF SALA 80 ES-2RS轴承尺寸、图纸、价格

SKF SALA 80 ES-2RS轴承

产品名称:SALA 80 ES-2RS轴承 品牌:SKF
类型:SKF轴承 > 球面滑动轴承和杆端关节轴承 > 需维护的杆端关节轴承
描述:SALA 80 ES-2RS轴承是【SKF轴承 > 球面滑动轴承和杆端关节轴承 > 需维护的杆端关节轴承】的型号,主要用在电气装置部件、燃料喷射泵、桥式起重机、齿轮减速装置、造纸机械、起重机吊钩、船舶用螺旋桨轴、玩具、专用车、伽玛等各大领域

 电话/微信:138-8949-5179

SKF SALA 80 ES-2RS轴承详细信息

SALA 80 ES-2RS轴承是【SKF轴承 > 球面滑动轴承和杆端关节轴承 > 需维护的杆端关节轴承】的型号,主要用在电气装置部件、燃料喷射泵、桥式起重机、齿轮减速装置、造纸机械、起重机吊钩、船舶用螺旋桨轴、玩具、专用车、伽玛等各大领域。

SKF SALA 80 ES-2RS轴承详细参数

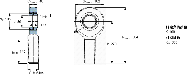
需要维护的杆端, 钢对钢,阳螺纹, 两面密封件
主要数据尺寸角度倾的基本负荷额定值质量型号
动态静态杆端带右或左旋螺纹
dd2Bd3C1h±CC0
6g
mm度数kNkg-
8018255M 64x448270540058512,0SALA 80 ES-2RS

SKF SALA 80 ES-2RS轴承尺寸图纸

李工:138-8949-5179

刘工:135-0428-8802

地址:辽宁省大连经济技术开发区现代城3栋-13-13号

在线客服系统