李工:138-8949-5179 刘工:135-0428-8802
型号查询
轴承型号   常见搜索: 6900轴承 6305轴承 71913轴承 6007轴承 6024轴承 6016轴承
型号查询 X

轴承专区

Bearings Center

61907-2RZ轴承-SKF 61907-2RZ轴承尺寸、图纸、价格

SKF 61907-2RZ轴承

产品名称:61907-2RZ轴承 品牌:SKF
类型:SKF轴承 > 滚动轴承 > 深沟球轴承
描述:61907-2RZ轴承是【SKF轴承 > 滚动轴承 > 深沟球轴承】的型号,主要用在装卸搬运机械、各类变速器、木工机械、铁路车辆、印刷机械、机床主轴、矿山、钟表、挖掘机、摩天轮等各大领域

 电话/微信:138-8949-5179

SKF 61907-2RZ轴承详细信息

61907-2RZ轴承是【SKF轴承 > 滚动轴承 > 深沟球轴承】的型号,主要用在装卸搬运机械、各类变速器、木工机械、铁路车辆、印刷机械、机床主轴、矿山、钟表、挖掘机、摩天轮等各大领域。

SKF 61907-2RZ轴承详细参数

深沟球轴承, 单列, 低摩擦两面密封件
主要数据尺寸基本负荷额定值疲劳负荷限值额定速度体积型号
动态静态参照速度限制速度
dDBCC0Pu
mmkNkNr/minkg-
3555109,566,80,2926000130000,0861907-2RZ

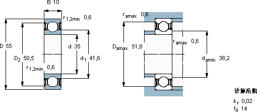
SKF 61907-2RZ轴承尺寸图纸

李工:138-8949-5179

刘工:135-0428-8802

地址:辽宁省大连经济技术开发区现代城3栋-13-13号

在线客服系统