李工:138-8949-5179 刘工:135-0428-8802
型号查询
轴承型号   常见搜索: 6020轴承 6028轴承 23136轴承 6214轴承 6003轴承 *轴承
型号查询 X

轴承专区

Bearings Center

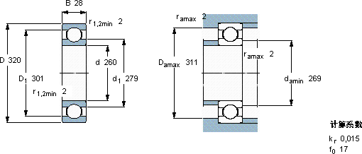
61852轴承-SKF 61852轴承尺寸、图纸、价格

SKF 61852轴承

产品名称:61852轴承 品牌:SKF
类型:SKF轴承 > 滚动轴承 > 深沟球轴承
描述:61852轴承是【SKF轴承 > 滚动轴承 > 深沟球轴承】的型号,主要用在农业机械、空气压缩机、提升机、大型农业机械、木工机械、耕耘机、钢铁厂、薄膜拉伸、地基处理机械、刮泥机等各大领域

 电话/微信:138-8949-5179

SKF 61852轴承详细信息

61852轴承是【SKF轴承 > 滚动轴承 > 深沟球轴承】的型号,主要用在农业机械、空气压缩机、提升机、大型农业机械、木工机械、耕耘机、钢铁厂、薄膜拉伸、地基处理机械、刮泥机等各大领域。

SKF 61852轴承详细参数

深沟球轴承, 单列, 无密封件
主要数据尺寸基本负荷额定值疲劳负荷限值额定速度体积型号
动态静态参照速度限制速度
dDBCC0Pu
mmkNkNr/minkg-
260320281111634380024004,8061852

SKF 61852轴承尺寸图纸

李工:138-8949-5179

刘工:135-0428-8802

地址:辽宁省大连经济技术开发区现代城3栋-13-13号

在线客服系统