李工:138-8949-5179 刘工:135-0428-8802
型号查询
轴承型号   常见搜索: 6032轴承 2026轴承 71913轴承 6019轴承 6309轴承 6016轴承
型号查询 X

轴承专区

Bearings Center

SAL 40 ES-2RS轴承-SKF SAL 40 ES-2RS轴承尺寸、图纸、价格

SKF SAL 40 ES-2RS轴承

产品名称:SAL 40 ES-2RS轴承 品牌:SKF
类型:SKF轴承 > 球面滑动轴承和杆端关节轴承 > 需维护的杆端关节轴承
描述:SAL 40 ES-2RS轴承是【SKF轴承 > 球面滑动轴承和杆端关节轴承 > 需维护的杆端关节轴承】的型号,主要用在装卸搬运机械、高频马达、发电机、前轮、各类产业用减速机、机床主轴、矿山、精细化工机械、混凝土机械、伽玛等各大领域

 电话/微信:138-8949-5179

SKF SAL 40 ES-2RS轴承详细信息

SAL 40 ES-2RS轴承是【SKF轴承 > 球面滑动轴承和杆端关节轴承 > 需维护的杆端关节轴承】的型号,主要用在装卸搬运机械、高频马达、发电机、前轮、各类产业用减速机、机床主轴、矿山、精细化工机械、混凝土机械、伽玛等各大领域。

SKF SAL 40 ES-2RS轴承详细参数

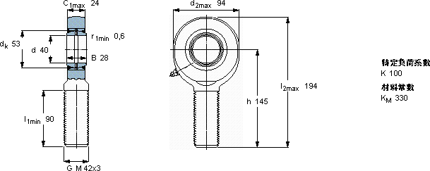
需要维护的杆端, 钢对钢,阳螺纹, 两面密封件
主要数据尺寸角度倾的基本负荷额定值质量型号
动态静态杆端带右或左旋螺纹
dd2Bd3C1h±CC0
6g
mm度数kNkg-
409428M 42x32414561001401,90SAL 40 ES-2RS

SKF SAL 40 ES-2RS轴承尺寸图纸

李工:138-8949-5179

刘工:135-0428-8802

地址:辽宁省大连经济技术开发区现代城3栋-13-13号

在线客服系统