轴承专区
Bearings Center
SAKAC 25 M轴承-SKF SAKAC 25 M轴承尺寸、图纸、价格
SKF SAKAC 25 M轴承
| 产品名称: | SAKAC 25 M轴承 | 品牌: | SKF |
|---|---|---|---|
| 类型: | SKF轴承 > 球面滑动轴承和杆端关节轴承 > 需维护的杆端关节轴承 | ||
| 描述: | SAKAC 25 M轴承是【SKF轴承 > 球面滑动轴承和杆端关节轴承 > 需维护的杆端关节轴承】的型号,主要用在内燃机、机床主轴、变速器、汽车、轧钢机辊道子、汽车转向销、挤压机、制鞋、掘进机、抓钢机等各大领域 | ||
电话/微信:138-8949-5179
SKF SAKAC 25 M轴承详细信息
SAKAC 25 M轴承是【SKF轴承 > 球面滑动轴承和杆端关节轴承 > 需维护的杆端关节轴承】的型号,主要用在内燃机、机床主轴、变速器、汽车、轧钢机辊道子、汽车转向销、挤压机、制鞋、掘进机、抓钢机等各大领域。
SKF SAKAC 25 M轴承详细参数
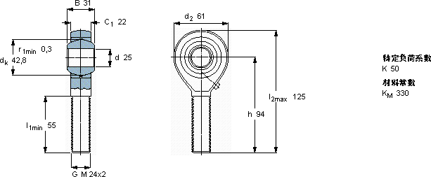
| 需要维护的杆端, 钢对青铜,阳螺纹 | |||||||||||
| 主要数据尺寸 | 角度倾的 | 基本负荷额定值 | 质量 | 型号 | |||||||
| 动态 | 静态 | 轴承座完全与 | |||||||||
| d | d2 | B | d3 | C1 | h | ± | C | C0 | |||
| 6g | |||||||||||
| mm | 度数 | kN | kg | - | |||||||
| 25 | 61 | 31 | M 24x2 | 22 | 94 | 15 | 46,5 | 46,5 | 0,62 | SAKAC 25 M | |
SKF SAKAC 25 M轴承尺寸图纸

