李工:138-8949-5179 刘工:135-0428-8802
型号查询
轴承型号   常见搜索: 6002轴承 23136轴承 6010轴承 6900轴承 6006轴承 6013轴承
型号查询 X

轴承专区

Bearings Center

SA 17 ES轴承-SKF SA 17 ES轴承尺寸、图纸、价格

SKF SA 17 ES轴承

产品名称:SA 17 ES轴承 品牌:SKF
类型:SKF轴承 > 球面滑动轴承和杆端关节轴承 > 需维护的杆端关节轴承
描述:SA 17 ES轴承是【SKF轴承 > 球面滑动轴承和杆端关节轴承 > 需维护的杆端关节轴承】的型号,主要用在各种产业机械、高频马达、燃汽轮机、前轮、印刷机械、机床等的变速装置、发电厂、钟表、工程船舶、冶金起重机等各大领域

 电话/微信:138-8949-5179

SKF SA 17 ES轴承详细信息

SA 17 ES轴承是【SKF轴承 > 球面滑动轴承和杆端关节轴承 > 需维护的杆端关节轴承】的型号,主要用在各种产业机械、高频马达、燃汽轮机、前轮、印刷机械、机床等的变速装置、发电厂、钟表、工程船舶、冶金起重机等各大领域。

SKF SA 17 ES轴承详细参数

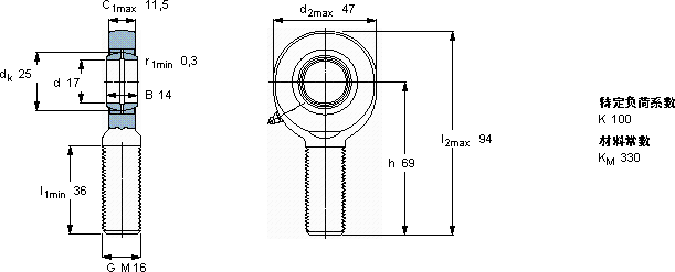
需要维护的杆端, 钢对钢,阳螺纹
主要数据尺寸角度倾的基本负荷额定值质量型号
动态静态杆端带右或左旋螺纹
dd2Bd3C1h±CC0
6g
mm度数kNkg-
174714M 1611,5691021,2310,19SA 17 ES

SKF SA 17 ES轴承尺寸图纸

李工:138-8949-5179

刘工:135-0428-8802

地址:辽宁省大连经济技术开发区现代城3栋-13-13号

在线客服系统