轴承专区
Bearings Center
23222 CCK/W33 + AHX 3222 G *轴承-SKF 23222 CCK/W33 + AHX 3222 G *轴承尺寸、图纸、价格
SKF 23222 CCK/W33 + AHX 3222 G *轴承
| 产品名称: | 23222 CCK/W33 + AHX 3222 G *轴承 | 品牌: | SKF |
|---|---|---|---|
| 类型: | SKF轴承 > 滚动轴承 > 球面滚子轴承 | ||
| 描述: | 23222 CCK/W33 + AHX 3222 G *轴承是【SKF轴承 > 滚动轴承 > 球面滚子轴承】的型号,主要用在各种产业机械、高频马达、减速装置、前轮、印刷机械、机床主轴、发电厂、医药设备、混凝土机械、冶金起重机等各大领域 | ||
电话/微信:138-8949-5179
SKF 23222 CCK/W33 + AHX 3222 G *轴承详细信息
23222 CCK/W33 + AHX 3222 G *轴承是【SKF轴承 > 滚动轴承 > 球面滚子轴承】的型号,主要用在各种产业机械、高频马达、减速装置、前轮、印刷机械、机床主轴、发电厂、医药设备、混凝土机械、冶金起重机等各大领域。
SKF 23222 CCK/W33 + AHX 3222 G *轴承详细参数
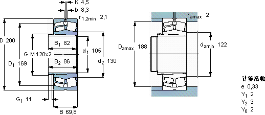
| 球面滚子轴承, 带退卸套的 | ||||||||||
| 主要数据尺寸 | 基本负荷额定值 | 疲劳负荷限值 | 额定速度 | 体积 | 型号 | |||||
| 动态 | 静态 | 参照速度 | 限制速度 | 轴承 +退卸套 | ||||||
| d1 | D | B | C | C0 | Pu | |||||
| * - SKF Explorer 轴承 | ||||||||||
| mm | kN | kN | r/min | kg | - | |||||
| 105 | 200 | 69,8 | 600 | 765 | 76,5 | 2200 | 3200 | 10,5 | 23222 CCK/W33 + AHX 3222 G * | |
SKF 23222 CCK/W33 + AHX 3222 G *轴承尺寸图纸

