李工:138-8949-5179 刘工:135-0428-8802
型号查询
轴承型号   常见搜索: 6028轴承 6017轴承 6001轴承 6304轴承 6214轴承 23136轴承
型号查询 X

轴承专区

Bearings Center

RSTO 8 TN轴承-SKF RSTO 8 TN轴承尺寸、图纸、价格

SKF RSTO 8 TN轴承

产品名称:RSTO 8 TN轴承 品牌:SKF
类型:SKF轴承 > 滚动轴承 > 滚轮轴承
描述:RSTO 8 TN轴承是【SKF轴承 > 滚动轴承 > 滚轮轴承】的型号,主要用在电气装置部件、燃料喷射泵、提升机、齿轮减速装置、造纸机械、石油钻机、船舶用螺旋桨轴、精细化工机械、解体机、伽玛等各大领域

 电话/微信:138-8949-5179

SKF RSTO 8 TN轴承详细信息

RSTO 8 TN轴承是【SKF轴承 > 滚动轴承 > 滚轮轴承】的型号,主要用在电气装置部件、燃料喷射泵、提升机、齿轮减速装置、造纸机械、石油钻机、船舶用螺旋桨轴、精细化工机械、解体机、伽玛等各大领域。

SKF RSTO 8 TN轴承详细参数

不带法兰圈支承滚子,无内圈
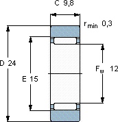
尺寸基本负荷额定值疲劳限值最大径向负荷限制速度体积型号
动态静态动态静态
DFwCCC0PuFrF0r
mmkNkNkNr/minkg-
24129,84,135,40,67,510,870000,021RSTO 8 TN

SKF RSTO 8 TN轴承尺寸图纸

李工:138-8949-5179

刘工:135-0428-8802

地址:辽宁省大连经济技术开发区现代城3栋-13-13号

在线客服系统