轴承专区
Bearings Center
HMVC 48E轴承-SKF HMVC 48E轴承尺寸、图纸、价格
SKF HMVC 48E轴承
| 产品名称: | HMVC 48E轴承 | 品牌: | SKF |
|---|---|---|---|
| 类型: | SKF轴承 > 滚动轴承 > 轴承附件 | ||
| 描述: | HMVC 48E轴承是【SKF轴承 > 滚动轴承 > 轴承附件】的型号,主要用在铁路车辆、油泵、中型及大型电动机、机床主轴、造纸机械、起重机吊钩、冶炼厂、音像设备、专用车、机械手等各大领域 | ||
电话/微信:138-8949-5179
SKF HMVC 48E轴承详细信息
HMVC 48E轴承是【SKF轴承 > 滚动轴承 > 轴承附件】的型号,主要用在铁路车辆、油泵、中型及大型电动机、机床主轴、造纸机械、起重机吊钩、冶炼厂、音像设备、专用车、机械手等各大领域。
SKF HMVC 48E轴承详细参数
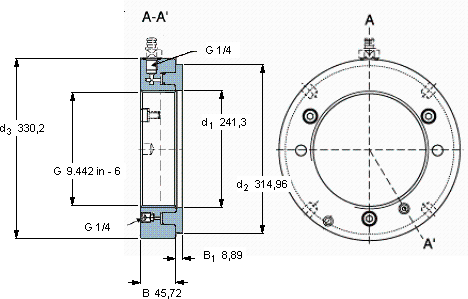
| Hydraulic nuts, inch sizes | ||||||||||||
| 螺纹尺寸 | 尺寸 | Permitted | Piston area | 体积 | 型号 | |||||||
| piston | ||||||||||||
| G | d1 | d2 | d3 | B | B1 | displacement | ||||||
| mm | mm (metric sizes) | mm | mm | mm2 (metric sizes) | kg | - | ||||||
| in - threads/in (inch sizes) | in2 (inch sizes) | |||||||||||
| 237,076 | 9.442 in - 6 | 241,3 | 314,96 | 330,2 | 45,72 | 8,89 | 9,906 | 25,6 | 35,3 | HMVC 48E | - | |
SKF HMVC 48E轴承尺寸图纸

