轴承专区
Bearings Center
SIKAC 22 M轴承-SKF SIKAC 22 M轴承尺寸、图纸、价格
SKF SIKAC 22 M轴承
| 产品名称: | SIKAC 22 M轴承 | 品牌: | SKF |
|---|---|---|---|
| 类型: | SKF轴承 > 球面滑动轴承和杆端关节轴承 > 需维护的杆端关节轴承 | ||
| 描述: | SIKAC 22 M轴承是【SKF轴承 > 球面滑动轴承和杆端关节轴承 > 需维护的杆端关节轴承】的型号,主要用在建筑机械、各类变速器、汽车发动机、铁路车辆、印刷机械、机床等的变速装置、成形机、精细化工机械、工程船舶、港口起重机等各大领域 | ||
电话/微信:138-8949-5179
SKF SIKAC 22 M轴承详细信息
SIKAC 22 M轴承是【SKF轴承 > 球面滑动轴承和杆端关节轴承 > 需维护的杆端关节轴承】的型号,主要用在建筑机械、各类变速器、汽车发动机、铁路车辆、印刷机械、机床等的变速装置、成形机、精细化工机械、工程船舶、港口起重机等各大领域。
SKF SIKAC 22 M轴承详细参数
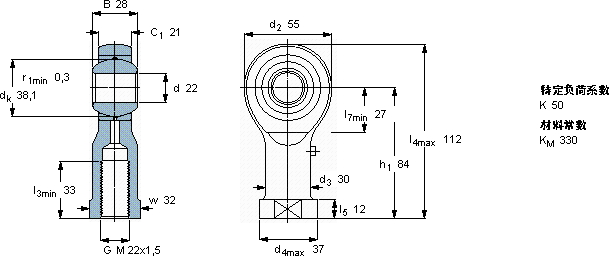
| 需要维护的杆端, 钢对青铜,阴螺纹 | |||||||||||
| 主要数据尺寸 | 角度倾的 | 基本负荷额定值 | 质量 | 型号 | |||||||
| 动态 | 静态 | 轴承座完全与 | |||||||||
| d | d2 | B | d3 | C1 | h1 | ± | C | C0 | |||
| 6H | |||||||||||
| mm | 度数 | kN | kg | - | |||||||
| 22 | 55 | 28 | M 22x1,5 | 21 | 84 | 15 | 38 | 45 | 0,52 | SIKAC 22 M | |
SKF SIKAC 22 M轴承尺寸图纸

