李工:138-8949-5179 刘工:135-0428-8802
型号查询
轴承型号   常见搜索: 6005轴承 2026轴承 6002轴承 6014轴承 32313轴承 6205轴承
型号查询 X

轴承专区

Bearings Center

RNA 2207.2RS轴承-SKF RNA 2207.2RS轴承尺寸、图纸、价格

SKF RNA 2207.2RS轴承

产品名称:RNA 2207.2RS轴承 品牌:SKF
类型:SKF轴承 > 滚动轴承 > 滚轮轴承
描述:RNA 2207.2RS轴承是【SKF轴承 > 滚动轴承 > 滚轮轴承】的型号,主要用在仪表、离心分离机、纺织机械传动轴、变速器、印刷机械、制铁制钢机械、碾煤机、精细化工机械、堆取料机、坦克等各大领域

 电话/微信:138-8949-5179

SKF RNA 2207.2RS轴承详细信息

RNA 2207.2RS轴承是【SKF轴承 > 滚动轴承 > 滚轮轴承】的型号,主要用在仪表、离心分离机、纺织机械传动轴、变速器、印刷机械、制铁制钢机械、碾煤机、精细化工机械、堆取料机、坦克等各大领域。

SKF RNA 2207.2RS轴承详细参数

不带法兰圈支承滚子,无内圈
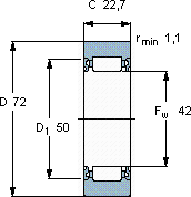
尺寸基本负荷额定值疲劳限值最大径向负荷限制速度体积型号
动态静态动态静态
DFwCCC0PuFrF0r
mmkNkNkNr/minkg-
724222,722344,3395622000,43RNA 2207.2RS

SKF RNA 2207.2RS轴承尺寸图纸

李工:138-8949-5179

刘工:135-0428-8802

地址:辽宁省大连经济技术开发区现代城3栋-13-13号

在线客服系统