轴承专区
Bearings Center
230/950 CAK/W33 + OH 30/950 H轴承-SKF 230/950 CAK/W33 + OH 30/950 H轴承尺寸、图纸、价格
SKF 230/950 CAK/W33 + OH 30/950 H轴承
| 产品名称: | 230/950 CAK/W33 + OH 30/950 H轴承 | 品牌: | SKF |
|---|---|---|---|
| 类型: | SKF轴承 > 滚动轴承 > 球面滚子轴承 | ||
| 描述: | 230/950 CAK/W33 + OH 30/950 H轴承是【SKF轴承 > 滚动轴承 > 球面滚子轴承】的型号,主要用在电气装置部件、燃料喷射泵、汽车发动机、齿轮减速装置、振动筛、起重机吊钩、船舶用螺旋桨轴、医药设备、强夯机、伽玛等各大领域 | ||
电话/微信:138-8949-5179
SKF 230/950 CAK/W33 + OH 30/950 H轴承详细信息
230/950 CAK/W33 + OH 30/950 H轴承是【SKF轴承 > 滚动轴承 > 球面滚子轴承】的型号,主要用在电气装置部件、燃料喷射泵、汽车发动机、齿轮减速装置、振动筛、起重机吊钩、船舶用螺旋桨轴、医药设备、强夯机、伽玛等各大领域。
SKF 230/950 CAK/W33 + OH 30/950 H轴承详细参数
| 球面滚子轴承, 带紧定套的 | ||||||||||
| 主要数据尺寸 | 基本负荷额定值 | 疲劳负荷限值 | 额定速度 | 体积 | 型号 | |||||
| 动态 | 静态 | 参照速度 | 限制速度 | 轴承 + 紧定套 | ||||||
| d1 | D | B | C | C0 | Pu | |||||
| mm | kN | kN | r/min | kg | - | |||||
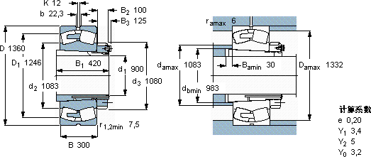
| 900 | 1360 | 300 | 12000 | 28500 | 1600 | 200 | 380 | 1870 | 230/950 CAK/W33 + OH 30/950 H | |
SKF 230/950 CAK/W33 + OH 30/950 H轴承尺寸图纸

