轴承专区
Bearings Center
HMVC 84E轴承-SKF HMVC 84E轴承尺寸、图纸、价格
SKF HMVC 84E轴承
| 产品名称: | HMVC 84E轴承 | 品牌: | SKF |
|---|---|---|---|
| 类型: | SKF轴承 > 滚动轴承 > 轴承附件 | ||
| 描述: | HMVC 84E轴承是【SKF轴承 > 滚动轴承 > 轴承附件】的型号,主要用在装卸搬运机械、印刷机械、减速装置、轧钢机辊颈、各类产业用减速机、制铁制钢机械、矿山、化纤机械、起重机械、风力发电设备等各大领域 | ||
电话/微信:138-8949-5179
SKF HMVC 84E轴承详细信息
HMVC 84E轴承是【SKF轴承 > 滚动轴承 > 轴承附件】的型号,主要用在装卸搬运机械、印刷机械、减速装置、轧钢机辊颈、各类产业用减速机、制铁制钢机械、矿山、化纤机械、起重机械、风力发电设备等各大领域。
SKF HMVC 84E轴承详细参数
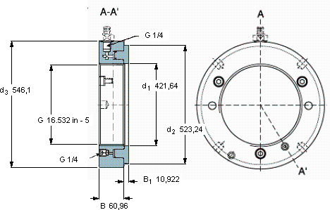
| Hydraulic nuts, inch sizes | ||||||||||||
| 螺纹尺寸 | 尺寸 | Permitted | Piston area | 体积 | 型号 | |||||||
| piston | ||||||||||||
| G | d1 | d2 | d3 | B | B1 | displacement | ||||||
| mm | mm (metric sizes) | mm | mm | mm2 (metric sizes) | kg | - | ||||||
| in - threads/in (inch sizes) | in2 (inch sizes) | |||||||||||
| 416,865 | 16.532 in - 5 | 421,64 | 523,24 | 546,1 | 60,96 | 10,922 | 17,018 | 62 | 110 | HMVC 84E | - | |
SKF HMVC 84E轴承尺寸图纸

