李工:138-8949-5179 刘工:135-0428-8802
型号查询
轴承型号   常见搜索: 71913轴承 6016轴承 6003轴承 *轴承 6028轴承 6024轴承
型号查询 X

轴承专区

Bearings Center

QJ 320 N2MA *轴承-SKF QJ 320 N2MA *轴承尺寸、图纸、价格

SKF QJ 320 N2MA *轴承

产品名称:QJ 320 N2MA *轴承 品牌:SKF
类型:SKF轴承 > 滚动轴承 > 角接触球轴承
描述:QJ 320 N2MA *轴承是【SKF轴承 > 滚动轴承 > 角接触球轴承】的型号,主要用在装卸搬运机械、高频马达、减速装置、前轮、各类产业用减速机、机床等的变速装置、矿山、玩具、压路机、伽玛等各大领域

 电话/微信:138-8949-5179

SKF QJ 320 N2MA *轴承详细信息

QJ 320 N2MA *轴承是【SKF轴承 > 滚动轴承 > 角接触球轴承】的型号,主要用在装卸搬运机械、高频马达、减速装置、前轮、各类产业用减速机、机床等的变速装置、矿山、玩具、压路机、伽玛等各大领域。

SKF QJ 320 N2MA *轴承详细参数

角接触球轴承, 四点接触球轴承
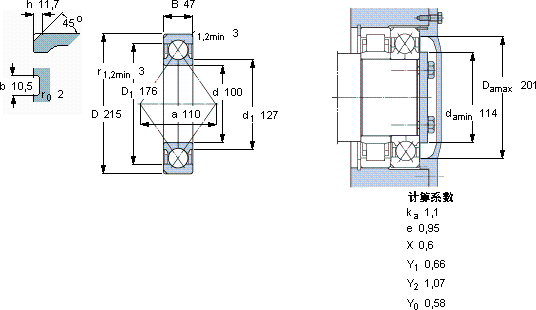
主要数据尺寸基本负荷额定值疲劳负荷限值额定速度体积型号
动态静态参照速度限制速度
dDBCC0Pu * - SKF Explorer 轴承
mmkNkNr/minkg-
1002154734540013,7400056009,30QJ 320 N2MA *

SKF QJ 320 N2MA *轴承尺寸图纸

李工:138-8949-5179

刘工:135-0428-8802

地址:辽宁省大连经济技术开发区现代城3栋-13-13号

在线客服系统