轴承专区
Bearings Center
RLS 20轴承-SKF RLS 20轴承尺寸、图纸、价格
SKF RLS 20轴承
| 产品名称: | RLS 20轴承 | 品牌: | SKF |
|---|---|---|---|
| 类型: | SKF轴承 > 滚动轴承 > 深沟球轴承 | ||
| 描述: | RLS 20轴承是【SKF轴承 > 滚动轴承 > 深沟球轴承】的型号,主要用在变速器、离心分离机、减速装置、变速器、减速装置、石油钻机转环、立式电动机、洗染、轻工机械、机械手等各大领域 | ||
电话/微信:138-8949-5179
SKF RLS 20轴承详细信息
RLS 20轴承是【SKF轴承 > 滚动轴承 > 深沟球轴承】的型号,主要用在变速器、离心分离机、减速装置、变速器、减速装置、石油钻机转环、立式电动机、洗染、轻工机械、机械手等各大领域。
SKF RLS 20轴承详细参数
| 深沟球轴承, 单列, 无密封件,带英制尺寸 | |||||||||||
| 主要数据尺寸 | 基本负荷额定值 | 疲劳负荷限值 | 额定速度 | 体积 | 型号 | ||||||
| 动态 | 静态 | 参照速度 | 限制速度 | ||||||||
| d | D | B | C | C0 | Pu | ||||||
| mm | kN | kN | r/min | kg | - | ||||||
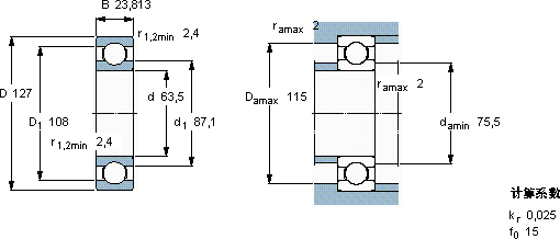
| 63,5 | 127 | 23,813 | 60,5 | 45 | 1,9 | 10000 | 7000 | 1,25 | RLS 20 | 仅对售后市场 | |
SKF RLS 20轴承尺寸图纸

