李工:138-8949-5179 刘工:135-0428-8802
型号查询
轴承型号   常见搜索: 6309轴承 6019轴承 6002轴承 6013轴承 6011轴承 6005轴承
型号查询 X

轴承专区

Bearings Center

6201-2Z/VA201轴承-SKF 6201-2Z/VA201轴承尺寸、图纸、价格

SKF 6201-2Z/VA201轴承

产品名称:6201-2Z/VA201轴承 品牌:SKF
类型:SKF轴承 > 滚动轴承 > 深沟球轴承
描述:6201-2Z/VA201轴承是【SKF轴承 > 滚动轴承 > 深沟球轴承】的型号,主要用在建筑机械、印刷机械、压缩机、轧钢机辊颈、轧钢机齿轮箱座、石油钻机转环、成形机、陶瓷机械、凿岩机械、焊接机器人等各大领域

 电话/微信:138-8949-5179

SKF 6201-2Z/VA201轴承详细信息

6201-2Z/VA201轴承是【SKF轴承 > 滚动轴承 > 深沟球轴承】的型号,主要用在建筑机械、印刷机械、压缩机、轧钢机辊颈、轧钢机齿轮箱座、石油钻机转环、成形机、陶瓷机械、凿岩机械、焊接机器人等各大领域。

SKF 6201-2Z/VA201轴承详细参数

深沟球轴承, 用于高温的深沟球轴承, 两面防尘罩
主要数据尺寸基本负荷额定值径向内部游隙体积型号
静态
dDBC0最小最大
mmkNμmkg-
1232103,11001800,0376201-2Z/VA201

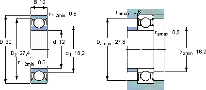
SKF 6201-2Z/VA201轴承尺寸图纸

李工:138-8949-5179

刘工:135-0428-8802

地址:辽宁省大连经济技术开发区现代城3栋-13-13号

在线客服系统