李工:138-8949-5179 刘工:135-0428-8802
型号查询
轴承型号   常见搜索: 6004轴承 6018轴承 6205轴承 6309轴承 6015轴承 6305轴承
型号查询 X

轴承专区

Bearings Center

6215/VA201轴承-SKF 6215/VA201轴承尺寸、图纸、价格

SKF 6215/VA201轴承

产品名称:6215/VA201轴承 品牌:SKF
类型:SKF轴承 > 滚动轴承 > 深沟球轴承
描述:6215/VA201轴承是【SKF轴承 > 滚动轴承 > 深沟球轴承】的型号,主要用在农业机械、燃汽轮机、泵、后轮、造纸机械、起重机吊钩、钢铁厂、塑料、专用车、刮泥机等各大领域

 电话/微信:138-8949-5179

SKF 6215/VA201轴承详细信息

6215/VA201轴承是【SKF轴承 > 滚动轴承 > 深沟球轴承】的型号,主要用在农业机械、燃汽轮机、泵、后轮、造纸机械、起重机吊钩、钢铁厂、塑料、专用车、刮泥机等各大领域。

SKF 6215/VA201轴承详细参数

深沟球轴承, 用于高温的深沟球轴承, 无密封件
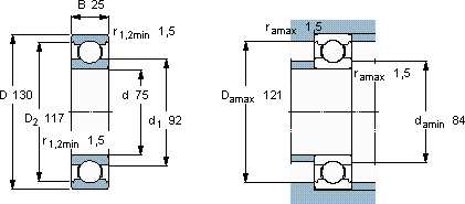
主要数据尺寸基本负荷额定值径向内部游隙体积型号
静态
dDBC0最小最大
mmkNμmkg-
7513025492604201,206215/VA201

SKF 6215/VA201轴承尺寸图纸

李工:138-8949-5179

刘工:135-0428-8802

地址:辽宁省大连经济技术开发区现代城3栋-13-13号

在线客服系统