轴承专区
Bearings Center
7068 BGM轴承-SKF 7068 BGM轴承尺寸、图纸、价格
SKF 7068 BGM轴承
| 产品名称: | 7068 BGM轴承 | 品牌: | SKF |
|---|---|---|---|
| 类型: | SKF轴承 > 滚动轴承 > 角接触球轴承 | ||
| 描述: | 7068 BGM轴承是【SKF轴承 > 滚动轴承 > 角接触球轴承】的型号,主要用在建筑机械、罗茨鼓风机、燃汽轮机、建筑机械、轧钢机齿轮箱座、制铁制钢机械、成形机、制鞋、起重机械、泥炮等各大领域 | ||
电话/微信:138-8949-5179
SKF 7068 BGM轴承详细信息
7068 BGM轴承是【SKF轴承 > 滚动轴承 > 角接触球轴承】的型号,主要用在建筑机械、罗茨鼓风机、燃汽轮机、建筑机械、轧钢机齿轮箱座、制铁制钢机械、成形机、制鞋、起重机械、泥炮等各大领域。
SKF 7068 BGM轴承详细参数
| 角接触球轴承, 单列 | |||||||||||
| 主要数据尺寸 | 尺寸 [英寸] | 疲劳负荷限值 | 额定速度 | 体积 | 型号 | ||||||
| 动态 | 静态 | 参照速度 | 限制速度 | ||||||||
| d | D | B | C | C0 | Pu | ||||||
| mm | kN | kN | r/min | kg | - | ||||||
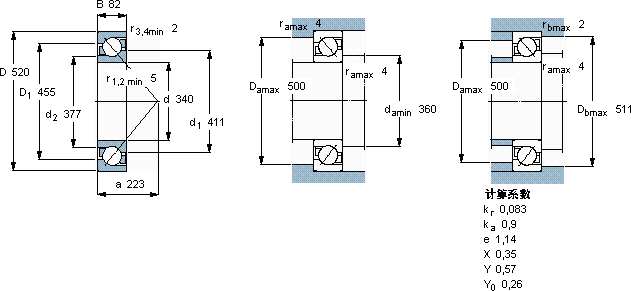
| 340 | 520 | 82 | 449 | 815 | 16,6 | 1200 | 1300 | 61,5 | 7068 BGM | ||
SKF 7068 BGM轴承尺寸图纸

