轴承专区
Bearings Center
QJ 344 N2/309829轴承-SKF QJ 344 N2/309829轴承尺寸、图纸、价格
SKF QJ 344 N2/309829轴承
| 产品名称: | QJ 344 N2/309829轴承 | 品牌: | SKF |
|---|---|---|---|
| 类型: | SKF轴承 > 滚动轴承 > 角接触球轴承 | ||
| 描述: | QJ 344 N2/309829轴承是【SKF轴承 > 滚动轴承 > 角接触球轴承】的型号,主要用在装卸搬运机械、差速器小齿轮轴、变速器、小齿轮轴、印刷机械、机床主轴、矿山、破碎、挖掘机、风力发电设备等各大领域 | ||
电话/微信:138-8949-5179
SKF QJ 344 N2/309829轴承详细信息
QJ 344 N2/309829轴承是【SKF轴承 > 滚动轴承 > 角接触球轴承】的型号,主要用在装卸搬运机械、差速器小齿轮轴、变速器、小齿轮轴、印刷机械、机床主轴、矿山、破碎、挖掘机、风力发电设备等各大领域。
SKF QJ 344 N2/309829轴承详细参数
| 角接触球轴承, 四点接触球轴承 | ||||||||||
| 主要数据尺寸 | 基本负荷额定值 | 疲劳负荷限值 | 额定速度 | 体积 | 型号 | |||||
| 动态 | 静态 | 参照速度 | 限制速度 | |||||||
| d | D | B | C | C0 | Pu | |||||
| mm | kN | kN | r/min | kg | - | |||||
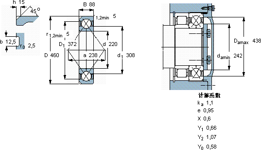
| 220 | 460 | 88 | 904 | 1660 | 38 | 1500 | 2400 | 78,0 | QJ 344 N2/309829 | |
SKF QJ 344 N2/309829轴承尺寸图纸

