李工:138-8949-5179 刘工:135-0428-8802
型号查询
轴承型号   常见搜索: 6002轴承 6001轴承 6020轴承 2026轴承 6014轴承 2025轴承
型号查询 X

轴承专区

Bearings Center

HMVC 10E轴承-SKF HMVC 10E轴承尺寸、图纸、价格

SKF HMVC 10E轴承

产品名称:HMVC 10E轴承 品牌:SKF
类型:SKF轴承 > 滚动轴承 > 轴承附件
描述:HMVC 10E轴承是【SKF轴承 > 滚动轴承 > 轴承附件】的型号,主要用在内燃机、空气压缩机、挖土机履带轮、大型农业机械、铁路车辆车轴、耕耘机、挤压机、精细化工机械、平地机、数控设备等各大领域

 电话/微信:138-8949-5179

SKF HMVC 10E轴承详细信息

HMVC 10E轴承是【SKF轴承 > 滚动轴承 > 轴承附件】的型号,主要用在内燃机、空气压缩机、挖土机履带轮、大型农业机械、铁路车辆车轴、耕耘机、挤压机、精细化工机械、平地机、数控设备等各大领域。

SKF HMVC 10E轴承详细参数

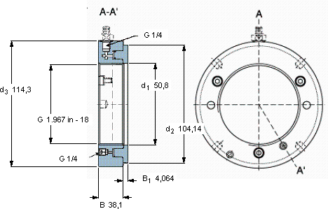
Hydraulic nuts, inch sizes
螺纹尺寸尺寸PermittedPiston area体积型号
piston
Gd1d2d3BB1displacement
mmmm (metric sizes)mmmmmm2 (metric sizes)kg-
in - threads/in (inch sizes)in2 (inch sizes)
49,0451.967 in - 1850,8104,14114,338,14,0645,084,56HMVC 10E-

SKF HMVC 10E轴承尺寸图纸

李工:138-8949-5179

刘工:135-0428-8802

地址:辽宁省大连经济技术开发区现代城3栋-13-13号

在线客服系统