李工:138-8949-5179 刘工:135-0428-8802
型号查询
轴承型号   常见搜索: 6026轴承 6900轴承 6309轴承 6021轴承 688a轴承 6012轴承
型号查询 X

轴承专区

Bearings Center

QJ 310 MA *轴承-SKF QJ 310 MA *轴承尺寸、图纸、价格

SKF QJ 310 MA *轴承

产品名称:QJ 310 MA *轴承 品牌:SKF
类型:SKF轴承 > 滚动轴承 > 角接触球轴承
描述:QJ 310 MA *轴承是【SKF轴承 > 滚动轴承 > 角接触球轴承】的型号,主要用在变速器、高频马达、泵、前轮、轧钢机齿轮箱座、机床主轴、立式电动机、化纤机械、挖掘机、正面吊等各大领域

 电话/微信:138-8949-5179

SKF QJ 310 MA *轴承详细信息

QJ 310 MA *轴承是【SKF轴承 > 滚动轴承 > 角接触球轴承】的型号,主要用在变速器、高频马达、泵、前轮、轧钢机齿轮箱座、机床主轴、立式电动机、化纤机械、挖掘机、正面吊等各大领域。

SKF QJ 310 MA *轴承详细参数

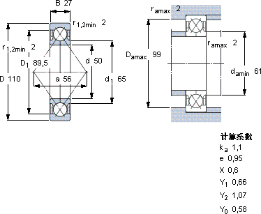
角接触球轴承, 四点接触球轴承
主要数据尺寸基本负荷额定值疲劳负荷限值额定速度体积型号
动态静态参照速度限制速度
dDBCC0Pu * - SKF Explorer 轴承
mmkNkNr/minkg-
50110271181004,258000110001,35QJ 310 MA *

SKF QJ 310 MA *轴承尺寸图纸

李工:138-8949-5179

刘工:135-0428-8802

地址:辽宁省大连经济技术开发区现代城3栋-13-13号

在线客服系统