李工:138-8949-5179 刘工:135-0428-8802
型号查询
轴承型号   常见搜索: 6304轴承 6028轴承 6012轴承 6900轴承 6214轴承 6022轴承
型号查询 X

轴承专区

Bearings Center

16072 MA轴承-SKF 16072 MA轴承尺寸、图纸、价格

SKF 16072 MA轴承

产品名称:16072 MA轴承 品牌:SKF
类型:SKF轴承 > 滚动轴承 > 深沟球轴承
描述:16072 MA轴承是【SKF轴承 > 滚动轴承 > 深沟球轴承】的型号,主要用在通用电动机、罗茨鼓风机、汽车发动机、建筑机械、轧钢机齿轮箱座、石油钻机转环、轧钢机轧制螺杆用减速机、玩具、轻工机械、机场加油机等各大领域

 电话/微信:138-8949-5179

SKF 16072 MA轴承详细信息

16072 MA轴承是【SKF轴承 > 滚动轴承 > 深沟球轴承】的型号,主要用在通用电动机、罗茨鼓风机、汽车发动机、建筑机械、轧钢机齿轮箱座、石油钻机转环、轧钢机轧制螺杆用减速机、玩具、轻工机械、机场加油机等各大领域。

SKF 16072 MA轴承详细参数

深沟球轴承, 单列, 无密封件
主要数据尺寸基本负荷额定值疲劳负荷限值额定速度体积型号
动态静态参照速度限制速度
dDBCC0Pu
mmkNkNr/minkg-
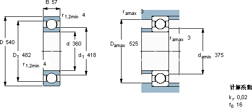
36054057351550111800140049,016072 MA

SKF 16072 MA轴承尺寸图纸

李工:138-8949-5179

刘工:135-0428-8802

地址:辽宁省大连经济技术开发区现代城3栋-13-13号

在线客服系统