李工:138-8949-5179 刘工:135-0428-8802
型号查询
轴承型号   常见搜索: 6032轴承 6906轴承 6015轴承 6028轴承 6007轴承 6013轴承
型号查询 X

轴承专区

Bearings Center

T7FC 080T98/QCL7CDTC20 *轴承-SKF T7FC 080T98/QCL7CDTC20 *轴承尺寸、图纸、价格

SKF T7FC 080T98/QCL7CDTC20 *轴承

产品名称:T7FC 080T98/QCL7CDTC20 *轴承 品牌:SKF
类型:SKF轴承 > 滚动轴承 > 圆锥滚子轴承
描述:T7FC 080T98/QCL7CDTC20 *轴承是【SKF轴承 > 滚动轴承 > 圆锥滚子轴承】的型号,主要用在通用电动机、差速器小齿轮轴、纺织机械传动轴、小齿轮轴、破碎机、机床等的变速装置、轧钢机轧制螺杆用减速机、制鞋、工程船舶、刮泥机等各大领域

 电话/微信:138-8949-5179

SKF T7FC 080T98/QCL7CDTC20 *轴承详细信息

T7FC 080T98/QCL7CDTC20 *轴承是【SKF轴承 > 滚动轴承 > 圆锥滚子轴承】的型号,主要用在通用电动机、差速器小齿轮轴、纺织机械传动轴、小齿轮轴、破碎机、机床等的变速装置、轧钢机轧制螺杆用减速机、制鞋、工程船舶、刮泥机等各大领域。

SKF T7FC 080T98/QCL7CDTC20 *轴承详细参数

圆锥滚子轴承, 单列,前后配对
主要数据尺寸基本负荷额定值疲劳负荷限值额定速度体积型号
动态静态参照速度限制速度
dDBCC0Pu * - SKF Explorer 轴承
mmkNkNr/minkg-
8016098450630712400400016,5T7FC 080T98/QCL7CDTC20 *

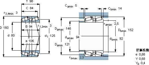
SKF T7FC 080T98/QCL7CDTC20 *轴承尺寸图纸

李工:138-8949-5179

刘工:135-0428-8802

地址:辽宁省大连经济技术开发区现代城3栋-13-13号

在线客服系统