轴承专区
Bearings Center
QJ 238 N2MA轴承-SKF QJ 238 N2MA轴承尺寸、图纸、价格
SKF QJ 238 N2MA轴承
| 产品名称: | QJ 238 N2MA轴承 | 品牌: | SKF |
|---|---|---|---|
| 类型: | SKF轴承 > 滚动轴承 > 角接触球轴承 | ||
| 描述: | QJ 238 N2MA轴承是【SKF轴承 > 滚动轴承 > 角接触球轴承】的型号,主要用在通用电动机、印刷机械、纺织机械传动轴、轧钢机辊颈、减速装置、制铁制钢机械、轧钢机轧制螺杆用减速机、洗染、起重机械、刮泥机等各大领域 | ||
电话/微信:138-8949-5179
SKF QJ 238 N2MA轴承详细信息
QJ 238 N2MA轴承是【SKF轴承 > 滚动轴承 > 角接触球轴承】的型号,主要用在通用电动机、印刷机械、纺织机械传动轴、轧钢机辊颈、减速装置、制铁制钢机械、轧钢机轧制螺杆用减速机、洗染、起重机械、刮泥机等各大领域。
SKF QJ 238 N2MA轴承详细参数
| 角接触球轴承, 四点接触球轴承 | ||||||||||
| 主要数据尺寸 | 基本负荷额定值 | 疲劳负荷限值 | 额定速度 | 体积 | 型号 | |||||
| 动态 | 静态 | 参照速度 | 限制速度 | |||||||
| d | D | B | C | C0 | Pu | |||||
| mm | kN | kN | r/min | kg | - | |||||
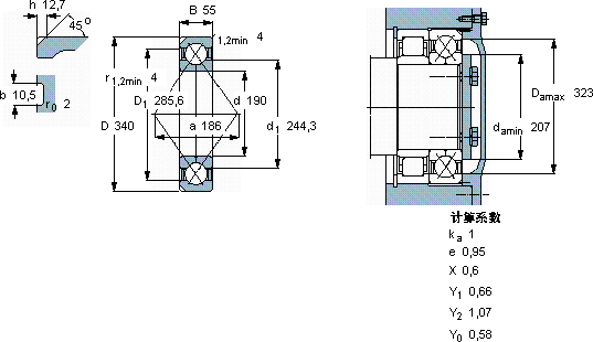
| 190 | 340 | 55 | 488 | 780 | 20,4 | 1900 | 3200 | 23,3 | QJ 238 N2MA | |
SKF QJ 238 N2MA轴承尺寸图纸

