李工:138-8949-5179 刘工:135-0428-8802
型号查询
轴承型号   常见搜索: 6024轴承 6006轴承 6214轴承 6001轴承 6008轴承 6014轴承
型号查询 X

轴承专区

Bearings Center

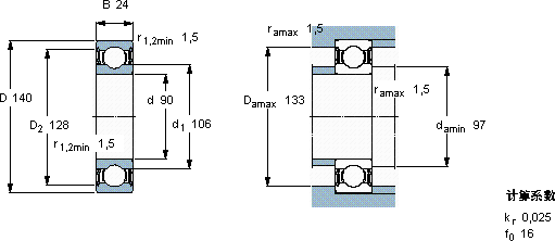
6018-2RS1 *轴承-SKF 6018-2RS1 *轴承尺寸、图纸、价格

SKF 6018-2RS1 *轴承

产品名称:6018-2RS1 *轴承 品牌:SKF
类型:SKF轴承 > 滚动轴承 > 深沟球轴承
描述:6018-2RS1 *轴承是【SKF轴承 > 滚动轴承 > 深沟球轴承】的型号,主要用在铁路车辆、小型汽车前轮、泵、差速器、轧钢机辊道子、耕耘机、冶炼厂、电子、平地机、正面吊等各大领域

 电话/微信:138-8949-5179

SKF 6018-2RS1 *轴承详细信息

6018-2RS1 *轴承是【SKF轴承 > 滚动轴承 > 深沟球轴承】的型号,主要用在铁路车辆、小型汽车前轮、泵、差速器、轧钢机辊道子、耕耘机、冶炼厂、电子、平地机、正面吊等各大领域。

SKF 6018-2RS1 *轴承详细参数

深沟球轴承, 单列, 两面密封件
主要数据尺寸基本负荷额定值疲劳负荷限值额定速度体积型号
动态静态参照速度限制速度
dDBCC0Pu * - SKF Explorer 轴承
mmkNkNr/minkg-
901402460,5501,96-28001,156018-2RS1 *

SKF 6018-2RS1 *轴承尺寸图纸

李工:138-8949-5179

刘工:135-0428-8802

地址:辽宁省大连经济技术开发区现代城3栋-13-13号

在线客服系统