李工:138-8949-5179 刘工:135-0428-8802
型号查询
轴承型号   常见搜索: 71913轴承 6019轴承 6006轴承 6005轴承 6002轴承 6009轴承
型号查询 X

轴承专区

Bearings Center

QJ 215 MA *轴承-SKF QJ 215 MA *轴承尺寸、图纸、价格

SKF QJ 215 MA *轴承

产品名称:QJ 215 MA *轴承 品牌:SKF
类型:SKF轴承 > 滚动轴承 > 角接触球轴承
描述:QJ 215 MA *轴承是【SKF轴承 > 滚动轴承 > 角接触球轴承】的型号,主要用在建筑机械、各类变速器、中型及大型电动机、铁路车辆、轧钢机齿轮箱座、机床等的变速装置、成形机、钟表、压路机、港口起重机等各大领域

 电话/微信:138-8949-5179

SKF QJ 215 MA *轴承详细信息

QJ 215 MA *轴承是【SKF轴承 > 滚动轴承 > 角接触球轴承】的型号,主要用在建筑机械、各类变速器、中型及大型电动机、铁路车辆、轧钢机齿轮箱座、机床等的变速装置、成形机、钟表、压路机、港口起重机等各大领域。

SKF QJ 215 MA *轴承详细参数

角接触球轴承, 四点接触球轴承
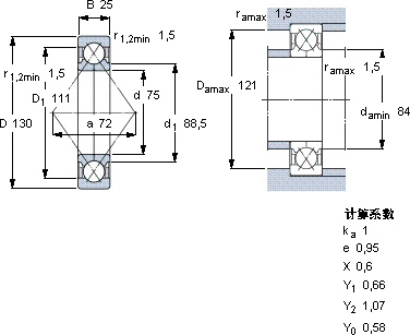
主要数据尺寸基本负荷额定值疲劳负荷限值额定速度体积型号
动态静态参照速度限制速度
dDBCC0Pu * - SKF Explorer 轴承
mmkNkNr/minkg-
75130251251325,6630085001,45QJ 215 MA *

SKF QJ 215 MA *轴承尺寸图纸

李工:138-8949-5179

刘工:135-0428-8802

地址:辽宁省大连经济技术开发区现代城3栋-13-13号

在线客服系统