轴承专区
Bearings Center
2 x 7303 BECBP轴承-SKF 2 x 7303 BECBP轴承尺寸、图纸、价格
SKF 2 x 7303 BECBP轴承
| 产品名称: | 2 x 7303 BECBP轴承 | 品牌: | SKF |
|---|---|---|---|
| 类型: | SKF轴承 > 滚动轴承 > 角接触球轴承 | ||
| 描述: | 2 x 7303 BECBP轴承是【SKF轴承 > 滚动轴承 > 角接触球轴承】的型号,主要用在电气装置部件、空气压缩机、泵、大型农业机械、轧钢机辊道子、耕耘机、船舶用螺旋桨轴、啤酒、平地机、风力发电设备等各大领域 | ||
电话/微信:138-8949-5179
SKF 2 x 7303 BECBP轴承详细信息
2 x 7303 BECBP轴承是【SKF轴承 > 滚动轴承 > 角接触球轴承】的型号,主要用在电气装置部件、空气压缩机、泵、大型农业机械、轧钢机辊道子、耕耘机、船舶用螺旋桨轴、啤酒、平地机、风力发电设备等各大领域。
SKF 2 x 7303 BECBP轴承详细参数
| 角接触球轴承, 单列,用于配对安装, 面对面配对 | |||||||||||
| 主要数据尺寸 | 基本负荷额定值 | 疲劳负荷限值 | 额定速度 | 体积 | 型号 | 轴承配对 | |||||
| 动态 | 静态 | 参照速度 | 限制速度 | ||||||||
| d | D | 2B | C | C0 | Pu | ||||||
| mm | kN | kN | r/min | kg | - | - | |||||
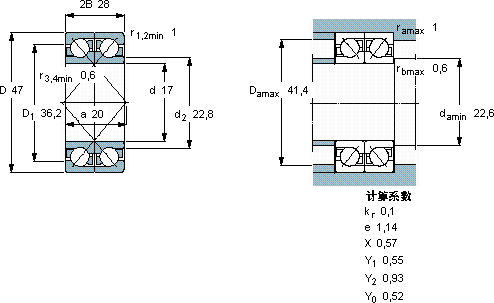
| 17 | 47 | 28 | 26 | 16,6 | 0,71 | 15000 | 19000 | 0,22 | 2 × 7303 BECBP | DF | |
SKF 2 x 7303 BECBP轴承尺寸图纸

