李工:138-8949-5179 刘工:135-0428-8802
型号查询
轴承型号   常见搜索: 1轴承 6007轴承 71913轴承 6906轴承 6909轴承 6012轴承
型号查询 X

轴承专区

Bearings Center

NUP 317 ECJ *轴承-SKF NUP 317 ECJ *轴承尺寸、图纸、价格

SKF NUP 317 ECJ *轴承

产品名称:NUP 317 ECJ *轴承 品牌:SKF
类型:SKF轴承 > 滚动轴承 > 圆柱滚子轴承
描述:NUP 317 ECJ *轴承是【SKF轴承 > 滚动轴承 > 圆柱滚子轴承】的型号,主要用在各种产业机械、罗茨鼓风机、发电机、建筑机械、印刷机械、制铁制钢机械、发电厂、钟表、堆取料机、冶金起重机等各大领域

 电话/微信:138-8949-5179

SKF NUP 317 ECJ *轴承详细信息

NUP 317 ECJ *轴承是【SKF轴承 > 滚动轴承 > 圆柱滚子轴承】的型号,主要用在各种产业机械、罗茨鼓风机、发电机、建筑机械、印刷机械、制铁制钢机械、发电厂、钟表、堆取料机、冶金起重机等各大领域。

SKF NUP 317 ECJ *轴承详细参数

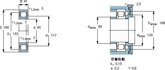
圆柱滚子轴承, 单列, NUP 设计
主要数据尺寸基本负荷额定值疲劳负荷限值额定速度体积型号适宜的斜挡圈
动态静态参照速度限制速度型号
dDBCC0Pu * - SKF Explorer 轴承
mmkNkNr/minkg--
851804134033541,5400048004,90NUP 317 ECJ *-

SKF NUP 317 ECJ *轴承尺寸图纸

李工:138-8949-5179

刘工:135-0428-8802

地址:辽宁省大连经济技术开发区现代城3栋-13-13号

在线客服系统