李工:138-8949-5179 刘工:135-0428-8802
型号查询
轴承型号   常见搜索: 1轴承 6909轴承 *轴承 2026轴承 6214轴承 688a轴承
型号查询 X

轴承专区

Bearings Center

NJ 29/630 ECMAS/HB1轴承-SKF NJ 29/630 ECMAS/HB1轴承尺寸、图纸、价格

SKF NJ 29/630 ECMAS/HB1轴承

产品名称:NJ 29/630 ECMAS/HB1轴承 品牌:SKF
类型:SKF轴承 > 滚动轴承 > 圆柱滚子轴承
描述:NJ 29/630 ECMAS/HB1轴承是【SKF轴承 > 滚动轴承 > 圆柱滚子轴承】的型号,主要用在农业机械、小型汽车前轮、提升机、差速器、轧钢机辊道子、耕耘机、钢铁厂、陶瓷机械、平地机、机场加油机等各大领域

 电话/微信:138-8949-5179

SKF NJ 29/630 ECMAS/HB1轴承详细信息

NJ 29/630 ECMAS/HB1轴承是【SKF轴承 > 滚动轴承 > 圆柱滚子轴承】的型号,主要用在农业机械、小型汽车前轮、提升机、差速器、轧钢机辊道子、耕耘机、钢铁厂、陶瓷机械、平地机、机场加油机等各大领域。

SKF NJ 29/630 ECMAS/HB1轴承详细参数

圆柱滚子轴承, 单列, NJ 设计
主要数据尺寸基本负荷额定值疲劳负荷限值额定速度体积型号适宜的斜挡圈
动态静态参照速度限制速度型号
dDBCC0Pu
mmkNkNr/minkg--
63085012833007200510700900230NJ 29/630 ECMAS/HB1-

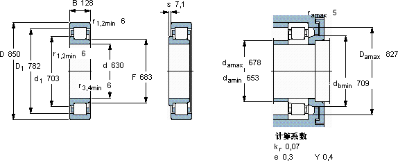
SKF NJ 29/630 ECMAS/HB1轴承尺寸图纸

李工:138-8949-5179

刘工:135-0428-8802

地址:辽宁省大连经济技术开发区现代城3栋-13-13号

在线客服系统