李工:138-8949-5179 刘工:135-0428-8802
型号查询
轴承型号   常见搜索: 23136轴承 7014轴承 6909轴承 2025轴承 6021轴承 *轴承
型号查询 X

轴承专区

Bearings Center

PDRJ 322轴承-SKF PDRJ 322轴承尺寸、图纸、价格

SKF PDRJ 322轴承

产品名称:PDRJ 322轴承 品牌:SKF
类型:SKF轴承 > 轴承单元 > 双轴承装置
描述:PDRJ 322轴承是【SKF轴承 > 轴承单元 > 双轴承装置】的型号,主要用在电气装置部件、机床主轴、桥式起重机、汽车、木工机械、耕耘机、船舶用螺旋桨轴、纺织、地基处理机械、摩天轮等各大领域

 电话/微信:138-8949-5179

SKF PDRJ 322轴承详细信息

PDRJ 322轴承是【SKF轴承 > 轴承单元 > 双轴承装置】的型号,主要用在电气装置部件、机床主轴、桥式起重机、汽车、木工机械、耕耘机、船舶用螺旋桨轴、纺织、地基处理机械、摩天轮等各大领域。

SKF PDRJ 322轴承详细参数

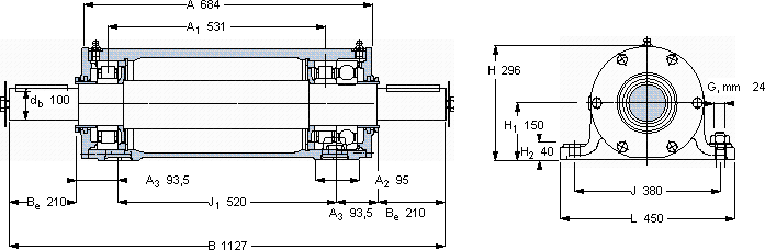
双轴承单元, PDRJ单元
尺寸整体轴承质量型号
轴承座与Key405轴承单元
dbBHH1L
mm-kg-
1001127296150450NU 322 ECP6322/C3NU 322 ECP240PDRJ 322

SKF PDRJ 322轴承尺寸图纸

李工:138-8949-5179

刘工:135-0428-8802

地址:辽宁省大连经济技术开发区现代城3栋-13-13号

在线客服系统