轴承专区
Bearings Center
PDRJ 317轴承-SKF PDRJ 317轴承尺寸、图纸、价格
SKF PDRJ 317轴承
| 产品名称: | PDRJ 317轴承 | 品牌: | SKF |
|---|---|---|---|
| 类型: | SKF轴承 > 轴承单元 > 双轴承装置 | ||
| 描述: | PDRJ 317轴承是【SKF轴承 > 轴承单元 > 双轴承装置】的型号,主要用在飞机喷气式发动机、空气压缩机、变速器、大型农业机械、轧钢机辊道子、汽车转向销、燃机、玩具、掘进机、钢包回转台等各大领域 | ||
电话/微信:138-8949-5179
SKF PDRJ 317轴承详细信息
PDRJ 317轴承是【SKF轴承 > 轴承单元 > 双轴承装置】的型号,主要用在飞机喷气式发动机、空气压缩机、变速器、大型农业机械、轧钢机辊道子、汽车转向销、燃机、玩具、掘进机、钢包回转台等各大领域。
SKF PDRJ 317轴承详细参数
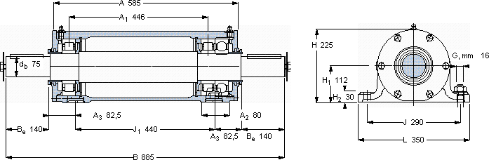
| 双轴承单元, PDRJ单元 | ||||||||||
| 尺寸 | 整体轴承 | 质量 | 型号 | |||||||
| 轴承座与 | Key405 | 轴承单元 | ||||||||
| db | B | H | H1 | L | ||||||
| mm | - | kg | - | |||||||
| 75 | 885 | 225 | 112 | 350 | NU 317 ECP | 6317/C3 | NU 317 ECP | 120 | PDRJ 317 | |
SKF PDRJ 317轴承尺寸图纸

