李工:138-8949-5179 刘工:135-0428-8802
型号查询
轴承型号   常见搜索: 6906轴承 6004轴承 6009轴承 6304轴承 6017轴承 6012轴承
型号查询 X

轴承专区

Bearings Center

F 1.1/8 FM轴承-SKF F 1.1/8 FM轴承尺寸、图纸、价格

SKF F 1.1/8 FM轴承

产品名称:F 1.1/8 FM轴承 品牌:SKF
类型:SKF轴承 > 轴承单元 > Y-轴承法兰单元
描述:F 1.1/8 FM轴承是【SKF轴承 > 轴承单元 > Y-轴承法兰单元】的型号,主要用在农业机械、空气压缩机、木工机械、大型农业机械、造纸机械、耕耘机、钢铁厂、饮料设备、地基处理机械、刮泥机等各大领域

 电话/微信:138-8949-5179

SKF F 1.1/8 FM轴承详细信息

F 1.1/8 FM轴承是【SKF轴承 > 轴承单元 > Y-轴承法兰单元】的型号,主要用在农业机械、空气压缩机、木工机械、大型农业机械、造纸机械、耕耘机、钢铁厂、饮料设备、地基处理机械、刮泥机等各大领域。

SKF F 1.1/8 FM轴承详细参数

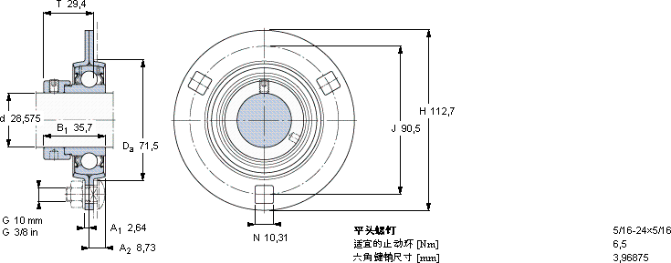
Y-型轴承带法兰单元, 冲压钢轴承座,偏心锁定轴环
尺寸基本负荷额定值可允许住质量轴承单元定购代号
动态静态房装载轴承轴承座轴承
dDaHJTCC0径向单元
mmkNkNkg-
28,57571,5112,790,529,419,511,2-0,62F 1.1/8 FM62MM-3YET 206-102

SKF F 1.1/8 FM轴承尺寸图纸

李工:138-8949-5179

刘工:135-0428-8802

地址:辽宁省大连经济技术开发区现代城3栋-13-13号

在线客服系统