轴承专区
Bearings Center
OH 3264 H轴承-SKF OH 3264 H轴承尺寸、图纸、价格
SKF OH 3264 H轴承
| 产品名称: | OH 3264 H轴承 | 品牌: | SKF |
|---|---|---|---|
| 类型: | SKF轴承 > 滚动轴承 > 轴承附件 | ||
| 描述: | OH 3264 H轴承是【SKF轴承 > 滚动轴承 > 轴承附件】的型号,主要用在仪表、差速器小齿轮轴、中型及大型电动机、小齿轮轴、轧钢机齿轮箱座、机床等的变速装置、碾煤机、塑料、压路机、钢包回转台等各大领域 | ||
电话/微信:138-8949-5179
SKF OH 3264 H轴承详细信息
OH 3264 H轴承是【SKF轴承 > 滚动轴承 > 轴承附件】的型号,主要用在仪表、差速器小齿轮轴、中型及大型电动机、小齿轮轴、轧钢机齿轮箱座、机床等的变速装置、碾煤机、塑料、压路机、钢包回转台等各大领域。
SKF OH 3264 H轴承详细参数
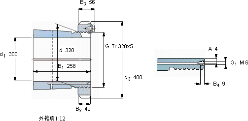
| 紧定套 | ||||||||||
| 尺寸 | 体积 | 型号 | ||||||||
| 紧定轴套带螺母 | 锁定螺母 | 锁定装置 | 适宜的液压 | |||||||
| d1 | d | d3 | B1 | G | 和锁紧装置 | 螺母 | ||||
| mm | kg | - | ||||||||
| 300 | 320 | 400 | 258 | Tr 320x5 | 35,0 | OH 3264 H | HM 3164 | MS 3164 | HMV 64 E | |
SKF OH 3264 H轴承尺寸图纸

