李工:138-8949-5179 刘工:135-0428-8802
型号查询
轴承型号   常见搜索: 6014轴承 6005轴承 6030轴承 6022轴承 6024轴承 6305轴承
型号查询 X

轴承专区

Bearings Center

YAR 208-2RF轴承-SKF YAR 208-2RF轴承尺寸、图纸、价格

SKF YAR 208-2RF轴承

产品名称:YAR 208-2RF轴承 品牌:SKF
类型:SKF轴承 > 滚动轴承 > Y-轴承
描述:YAR 208-2RF轴承是【SKF轴承 > 滚动轴承 > Y-轴承】的型号,主要用在仪表、离心分离机、压缩机、变速器、减速装置、石油钻机转环、碾煤机、薄膜拉伸、凿岩机械、坦克等各大领域

 电话/微信:138-8949-5179

SKF YAR 208-2RF轴承详细信息

YAR 208-2RF轴承是【SKF轴承 > 滚动轴承 > Y-轴承】的型号,主要用在仪表、离心分离机、压缩机、变速器、减速装置、石油钻机转环、碾煤机、薄膜拉伸、凿岩机械、坦克等各大领域。

SKF YAR 208-2RF轴承详细参数

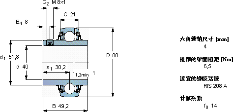
Y-轴承, 带平头螺钉锁定的, YAR 2-2RF
主要数据尺寸基本负荷额定值疲劳负荷限值限制速度体积型号
动态静态
dDBCCC0Pu用于轴公差h6
mmkNkNr/minkg-
408049,22130,7190,828000,55YAR 208-2RF

SKF YAR 208-2RF轴承尺寸图纸

李工:138-8949-5179

刘工:135-0428-8802

地址:辽宁省大连经济技术开发区现代城3栋-13-13号

在线客服系统