轴承专区
Bearings Center
NUP 3988 ECM轴承-SKF NUP 3988 ECM轴承尺寸、图纸、价格
SKF NUP 3988 ECM轴承
| 产品名称: | NUP 3988 ECM轴承 | 品牌: | SKF |
|---|---|---|---|
| 类型: | SKF轴承 > 滚动轴承 > 圆柱滚子轴承 | ||
| 描述: | NUP 3988 ECM轴承是【SKF轴承 > 滚动轴承 > 圆柱滚子轴承】的型号,主要用在铁路车辆、小型汽车前轮、发电机、差速器、铁路车辆车轴、耕耘机、冶炼厂、啤酒、地基处理机械、正面吊等各大领域 | ||
电话/微信:138-8949-5179
SKF NUP 3988 ECM轴承详细信息
NUP 3988 ECM轴承是【SKF轴承 > 滚动轴承 > 圆柱滚子轴承】的型号,主要用在铁路车辆、小型汽车前轮、发电机、差速器、铁路车辆车轴、耕耘机、冶炼厂、啤酒、地基处理机械、正面吊等各大领域。
SKF NUP 3988 ECM轴承详细参数
| 圆柱滚子轴承, 单列, NUP 设计 | ||||||||||||
| 主要数据尺寸 | 基本负荷额定值 | 疲劳负荷限值 | 额定速度 | 体积 | 型号 | 适宜的斜挡圈 | ||||||
| 动态 | 静态 | 参照速度 | 限制速度 | 型号 | ||||||||
| d | D | B | C | C0 | Pu | |||||||
| mm | kN | kN | r/min | kg | - | - | ||||||
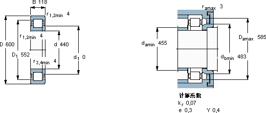
| 440 | 600 | 118 | 1980 | 4250 | 355 | 900 | 1100 | 105 | NUP 3988 ECM | - | ||
SKF NUP 3988 ECM轴承尺寸图纸

