轴承专区
Bearings Center
307238轴承-SKF 307238轴承尺寸、图纸、价格
SKF 307238轴承
| 产品名称: | 307238轴承 | 品牌: | SKF |
|---|---|---|---|
| 类型: | SKF轴承 > 滚动轴承 > 角接触球轴承 | ||
| 描述: | 307238轴承是【SKF轴承 > 滚动轴承 > 角接触球轴承】的型号,主要用在各种产业机械、高频马达、挖土机履带轮、前轮、减速装置、机床等的变速装置、发电厂、烟草机械、工程船舶、冶金起重机等各大领域 | ||
电话/微信:138-8949-5179
SKF 307238轴承详细信息
307238轴承是【SKF轴承 > 滚动轴承 > 角接触球轴承】的型号,主要用在各种产业机械、高频马达、挖土机履带轮、前轮、减速装置、机床等的变速装置、发电厂、烟草机械、工程船舶、冶金起重机等各大领域。
SKF 307238轴承详细参数
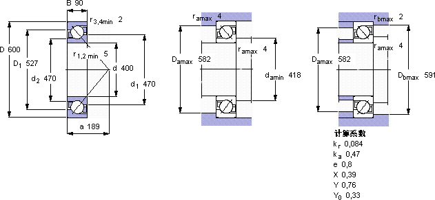
| 角接触球轴承, 单列 | |||||||||||
| 主要数据尺寸 | 尺寸 [英寸] | 疲劳负荷限值 | 额定速度 | 体积 | 型号 | ||||||
| 动态 | 静态 | 参照速度 | 限制速度 | ||||||||
| d | D | B | C | C0 | Pu | ||||||
| mm | kN | kN | r/min | kg | - | ||||||
| 400 | 600 | 90 | 605 | 1180 | 22,4 | 950 | 1200 | 89,5 | 307238 | ||
SKF 307238轴承尺寸图纸

