李工:138-8949-5179 刘工:135-0428-8802
型号查询
轴承型号   常见搜索: 6305轴承 3214轴承 6010轴承 *轴承 617轴承 6011轴承
型号查询 X

轴承专区

Bearings Center

22344 CCJA/W33VA405 *轴承-SKF 22344 CCJA/W33VA405 *轴承尺寸、图纸、价格

SKF 22344 CCJA/W33VA405 *轴承

产品名称:22344 CCJA/W33VA405 *轴承 品牌:SKF
类型:SKF轴承 > 滚动轴承 > 球面滚子轴承
描述:22344 CCJA/W33VA405 *轴承是【SKF轴承 > 滚动轴承 > 球面滚子轴承】的型号,主要用在各种产业机械、高频马达、挖土机履带轮、前轮、破碎机、机床主轴、发电厂、钟表、混凝土机械、冶金起重机等各大领域

 电话/微信:138-8949-5179

SKF 22344 CCJA/W33VA405 *轴承详细信息

22344 CCJA/W33VA405 *轴承是【SKF轴承 > 滚动轴承 > 球面滚子轴承】的型号,主要用在各种产业机械、高频马达、挖土机履带轮、前轮、破碎机、机床主轴、发电厂、钟表、混凝土机械、冶金起重机等各大领域。

SKF 22344 CCJA/W33VA405 *轴承详细参数

球面滚子轴承, 圆柱和圆锥孔, 圆柱型内孔, 用于振动场合
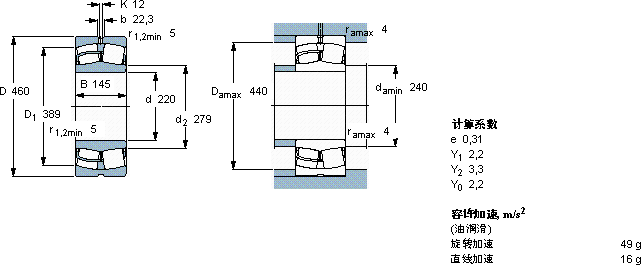
主要数据尺寸基本负荷额定值疲劳负荷限值额定速度体积型号
动态静态参照速度限制速度
dDBCC0Pu * - SKF Explorer 轴承
mmkNkNr/minkg-
220460145270034502601000140012022344 CCJA/W33VA405 *

SKF 22344 CCJA/W33VA405 *轴承尺寸图纸

李工:138-8949-5179

刘工:135-0428-8802

地址:辽宁省大连经济技术开发区现代城3栋-13-13号

在线客服系统